Гидрораспределители 1РЕ6 574А.Г24, 1РЕ6 574А В110, 1РЕ6.574А.В220
Гидравлический распределитель (гидрораспределитель) 1РЕ 6.574А — устройство, предназначенное для управления гидравлическими потоками в гидросистеме с помощью внешнего воздействия (сигнала).Гидравлические распределители нашли широкое применение в машиностроении, металлургии, легкой промышленности и дорожно-строительной технике.
Гидрораспределители 1РЕ 6.574А (схема распределения - 574А) относятся к золотниковым гидравлическим распределителям с электромагнитным управлением, т.е. переключение положения золотника происходит с помощью управляющего элемента – электромагнита (привода электромагнитного).
Гидрораспределители работают на минеральных маслах с кинетической вязкостью от 10 до 400 мм²/с с номинальной тонкостью фильтрации не грубее 25 мкм.
Разрешается эксплуатация гидрораспределителей при температуре окружающей среды от -40 до +55°С.
Климатическое исполнение и категория размещения: УХЛ4, О4, ХЛ1 по ГОСТ 15150.
Гидрораспределители 1РЕ6.574А являются аналогами гидрораспределителей ВЕ6.574А и ПЕ6.574А.
Большие фотографии 1РЕ6.574А с описанием
|
|
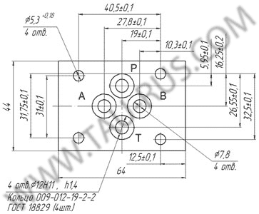
Габаритные и присоединительные размеры 1РЕ6 574А (ПЕ6 574 А)
Габаритные размеры![]() Присоединительные размеры ![]() |
Характеристики гидрораспределителей 1РЕ6.574А и ПЕ6.574А
| Наименование параметра | Значение параметра | |
|
ПЕ6.574А В110 ПЕ 6.574А В220 ПЕ 6.574А Г24 |
1РЕ6.574А В110 1PЕ 6.574А В220 1РЕ6.574А Г24 |
|
| Условный проход, мм | 6 | |
| Расход рабочей жидкости, л/мин | 20-25 | |
| Номинальное давление на входе, МПа (кгс/см²) | 32 (320) | |
| Максимальное давление на выходе, МПа (кгс/см²) | 6 (60) | |
| Максимальное давление управления, МПа (кгс/см²) | 0,6-6,0 (6-60) | |
| Масса, кг | 1,6 | |
Таблица соответствия гидрораспределителей 1РЕ6, ВЕ6 и ПЕ6
| Гидрораспределители 1РЕ6 | Гидрораспределители ВЕ6, ПЕ6 |
| Гидрораспределитель 1РЕ6 574А Г12 (12В, пост. ток) | Гидрораспределитель ВЕ6 574А Г12, ПЕ6 574А Г12 |
| Гидрораспределитель 1РЕ6 574А Г24 (24В, пост. ток) | Гидрораспределитель ВЕ6 574А Г24, ПЕ6 574А Г24 |
| Гидрораспределитель 1РЕ6 574А Г48 (48В, пост. ток) | Гидрораспределитель ВЕ6 574А Г48, ПЕ6 574А Г48 |
| Гидрораспределитель 1РЕ6 574А Г110 (110В, пост. ток) | Гидрораспределитель ВЕ6 574А Г110, ПЕ6 574А Г110 |
| Гидрораспределитель 1РЕ6 574А Г220 (220В, пост. ток) | Гидрораспределитель ВЕ6 574А Г220, ПЕ6 574А Г220 |
| Гидрораспределитель 1РЕ6 574А В24 (24В, перем. ток 50 Гц) | Гидрораспределитель ВЕ6 574А В24, ПЕ6 574А В24 |
| Гидрораспределитель 1РЕ6 574А В36 (36В, перем. ток 50 Гц) | Гидрораспределитель ВЕ6 574А В36, ПЕ6 574А В36 |
| Гидрораспределитель 1РЕ6 574А В110 (110В, перем. ток 50 Гц) | Гидрораспределитель ВЕ6 574А В110, ПЕ6 574А В110 |
| Гидрораспределитель 1РЕ6 574А В220 (220В, перем. ток 50 Гц) | Гидрораспределитель ВЕ6 574А В220, ПЕ6 574А В220 |
| Гидрораспределитель 1РЕ6 574А В380 (380В, перем. ток 50 Гц) | Гидрораспределитель ВЕ6 574А В380, ПЕ6 574А В380 |
Пример условного обозначения гидравлического золотникового распределителя, со схемой распределения 574А, управляемого электромагнитами от сети 24 В постоянного тока, для работы в умеренном климате:
- Гидрораспределитель 1РЕ 6.574А Г24 НМ УХЛ4
- Гидрораспределитель ПЕ 6.574А Г24 НМ УХЛ4
Структура условного обозначения гидрораспределителей типа 1р6 и 1р10 по ТУ2-053-1815-86




