Описание насосов шестеренных НШ
Насосы шестеренные НШ предназначены для нагнетания рабочей жидкости (минерального масла) в гидравлических системах тракторов, погрузчиков, автомобилей, сельскохозяйственных, коммунальных, строительно-дорожных и агрегатируемых с двигателями тракторов, машин и другой техники.
Высокие эксплуатационные характеристики насосов НШ обусловили их применения в гидросистемах тракторов производства Минского, Харьковского, Волгоградского, Владимирского, Алтайского, Кишиневского, Днепропетровского, Ташкентского, Петербургского, Липецкого тракторных заводов; комбайнов Ростовского, Таганрогского, Красноярского, Херсонского, Гомельского, Тернопольского заводов сельхозмашиностроения; автомобилей МАЗ, КамАЗ, САЗ, Урал, БелАЗ, ЗиЛ, дорожно-строительных, коммунальных и многих других машин и механизмов.
Насосы НШ выпускается как левого, так и правого вращения, в зависимости от сборки. Левого вращения – вращение ведущего ротора против часовой стрелки, правого вращения – вращение ведущего ротора по часовой стрелке, если смотреть со стороны привода.
Пример условного обозначение насоса:
Насос НШ 10У-3 Л, где:
НШ - насос шестеренный;
10 - рабочий объем насоса (см³);
У - модификация;
Л - направление вращения ведущего ротора, левое, если смотреть со стороны привода (правое – не обозначается).
Основные технические характеристики насосов НШ4, НШ6, НШ10, НШ32, НШ40, НШ50, НШ100 и НШ250
|
Марка |
Давление, |
Объемная |
Частота |
Масса кг, |
|
Насос НШ 4-4 |
20 |
10,5 |
3000 |
1,7 |
|
16 |
16,2 |
3000 |
3,0 |
|
|
16 |
21,0 |
2400 |
3,0 |
|
|
16 |
68,6 |
2400 |
7,0 |
|
|
16 |
68,6 |
2400 |
7,0 |
|
|
Насос НШ 40У-3 |
16 |
85,8 |
2400 |
8,0 |
|
16 |
107,2 |
2400 |
8,0 |
|
|
16 |
107,2 |
2400 |
8,0 |
|
|
16 |
173,4 |
1920 |
17,0 |
|
|
16 |
335,1 |
1500 |
45 |
Описание устройства и работы шестеренных насосов НШ
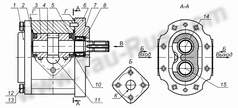
1. Крышка задняя
2. Кольцо уплотнительное
3. Втулка опорная
4. Корпус насоса
5. Манжета резиновая
6. Крышка передняя
7. Манжета армированная
8. Кольцо
10. Пластина
11. Фланец
12. Болт
13. Шайба
14. Ротор ведущий
15. Ротор ведомый
Устройство и принцип работы
Насосы типа НШ крепятся на валу отбора мощности, крутящий момент передается при помощи шлицевого соединения вала насоса и вала отбора мощности.
Шестеренный насос НШ состоит из корпуса 4, ведущего ротора 14, ведомого ротора 15, втулок опорных 3, резиновых манжет 5, уплотнительных колец 2, крышки передней 6 и задней 1 и болтов 12 с пружинными шайбами 13.
В передней крышке расположено отверстие для выхода приводного вала. С наружной стороны в это отверстие запрессована манжета 7 для уплотнения ведущего ротора насоса.
Уплотнение разъемов корпуса с крышками осуществляется кольцами 2. Манжета 5 своими внутренними поверхностями заходит в выточки подшипниковых втулок. В образовавшиеся камеры (между наружными диаметром подшипниковой втулки и выточками) со стороны выхода подается рабочая жидкость, которая своим давлением поджимает втулки к торцам роторов, чем компенсируется износ поверхностей втулок и роторов.
Ведущий ротор 14 насоса имеет удлиненный шлицевой конец вала. Насос крепится на валу отбора мощности, крутящий момент передается при помощи шлицевого соединения вала насоса и вала отбора мощности.
Принцип действия шестеренного насоса состоит в следующем: при вращении ведущего и ведомого роторов на стороне входа создается разрежение, в результате чего жидкость под давлением атмосферы заполняет впадины между зубьями и в них перемещается со стороны входа на сторону выхода. На выходе при зацеплении зубьев происходит выдавливание жидкости в систему.
