Фильтр
Сначала популярные
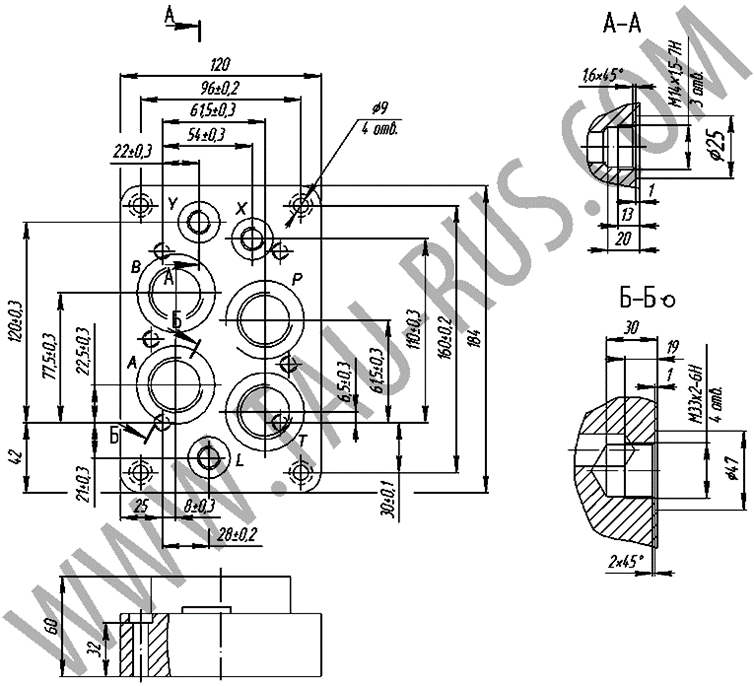
Описание плит 130350
Нашей компанией поставляются плиты присоединительные следующих типоразмеров:
Плиты для гидрораспределителей Ду=6 мм, Ду=10 мм;
130350 для гидрораспределителей Ду=16 мм;
Р202-Р-01А, Р202-Т-01 для гидрораспределителей Ду=20 мм;
Р323-Р-01А, Р323-Т-01 для гидрораспределителей Ду=32 мм
Плиты для гидрораспределителей Ду=6 мм, Ду=10 мм;
130350 для гидрораспределителей Ду=16 мм;
Р202-Р-01А, Р202-Т-01 для гидрораспределителей Ду=20 мм;
Р323-Р-01А, Р323-Т-01 для гидрораспределителей Ду=32 мм
Размеры плиты присоединительной 130350 для гидрораспределителей Ду=16 мм

Размеры плит присоединительных Р202-Р-01А и Р323-Р-01А для гидрораспределителей Ду=20, 32 мм
Размеры плиты присоединительной Р202-Р-01А
.png)
Размер плиты присоединительной Р323-Р-01А
Размеры плит присоединительных Р202-Т-01 и Р323-Т-01 для гидрораспределителей Ду=20, 32 мм
Размер плиты присоединительной Р202-Т-01
.png)
Размер плиты присоединительной Р323-Т-01
С этим товаром покупают
ВЕХ16 - Гидрораспределитель модульного стыкового монтажа (под плиту 130350)
1Р203 - Гидрораспределитель модульного стыкового монтажа (под плиты Р202-Р-01А, Р202-Т-01)
1Р323 - Гидрораспределитель модульного стыкового монтажа (под плиты Р322-Р-01А, Р322-Т-01)