Описание питателей последовательных смазочных МХ, МХО, 1МХ, МХК

По своим габаритным размерам питатели типа МХ превосходят питатели типа МИ и М и осуществляют подачу большего количества смазки в места трения, номинальный подаваемый объем которой составляет от 0,4 (для промежуточных секций 25Д) до 4,8 (для секций 150Е) см³ в один отвод за цикл.
Особенность работы питателей последовательных МХ, МХО, 1МХ, МХК является пошаговая работы промежуточных секций. Т.е. секции подают смазку в определённой последовательности, при которой подача к очередной точке не начинается, если смазка предыдущей не завершена. Данная особенность позволяет централизованно контролировать подачу смазочного материала и использовать питатель в качестве основного распределительного устройства в адаптивных смазочных системах.
В зависимости от объема подаваемого смазочного материала за цикл, промежуточные секции (расположенные между входной и выходной секциями) имеют следующее обозначение: 25Д, 25Е, 50Д, 50Е, 75Д, 75Е, 100Д, 100Е,125Д, 125Е, 150Д, 150Е.
Любая из перечисленных секций может быть укомплектована шток-индикатором, на наличие которого указывает литера «А» (слева, если смотреть на лицевую сторону питателя, когда вход сверху) или «В» (справа, если смотреть на лицевую сторону питателя, когда вход сверху), например: 50ДВ, 50ДА, 75ЕВ.
Примечания: в секциях питателей МХО, МХ, 1МХ: 25Д, 25Е шток-индикатор не устанавливается.
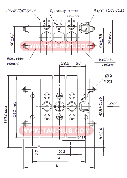
Размеры и параметры питателей МХ

|
Обозначение |
Число промежуточных секций |
Размеры, мм |
Масса, кг |
|
|---|---|---|---|---|
|
А±1 мм |
В, не более |
|||
|
Питатель МХ, МХО, 1МХ, МХК - 3 |
3 |
129,0 |
172 |
9,55 |
|
Питатель МХ, МХ0, МХК, 1МХ- 4 |
4 |
157,5 |
200 |
11,41 |
|
Питатель МХО, 1МХ, МХК, МХ- 5 |
5 |
186,0 |
229 |
13,27 |
|
Питатель МХ, МХО, 1МХ, МХК - 6 |
6 |
214,5 |
257 |
15,13 |
|
Питатель 1МХ, МХК, МХ, МХО- 7 |
7 |
243,0 |
286 |
17,00 |
|
Питатель МХО, 1МХ, МХ, МХК - 8 |
8 |
271,5 |
315 |
18,93 |
Технические параметры питателей типа МХ
|
Параметр |
Значения параметра |
|||
|---|---|---|---|---|
| МХК | МХО | МХ | 1МХ | |
|
Давление на входе, МПа -номинальное -минимальное (перепад давлений) не более |
2,5 1,2 |
6,3 1,2 |
10,0 1,2 |
20,0 1,2 |
|
Номинальный подаваемый объем смазки за цикл, см³ 25Д 25Е 50Д 50Е 75Д 75Е 100Д 100Е 125Д 125Е 150Д 150Е |
0,40 |
|||
|
Частота циклов вминуту -номинальное -максимальная |
60 250 |
60 250 |
60 250 |
60 250 |
| Вид смазочного материала |
Жидкий пластичный |
Жидкий пластичный |
Жидкий пластичный |
Пластичный |
Примечания:
- Цикл работы питателя характеризуется подачей смазочного материала в каждый отвод питателя за один двойной ход золотника каждой секции.
- Из отвода секции с маркировкой "Е" подача смазочного материала за цикл производится два раза.
- Предпочтительное расположение промежуточных секций питателей МХО, МХ, 1МХ в порядке возрастания цифр условных обозначений типоразмеров (начиная от ближайшей к входу смазочного материала).
Пример условного обозначения питателя исполнения МХ с шестью промежуточными секциями: первая и вторая секции 50Д (с номинальным подаваемым объёмом 0,8 см³, с двумя отводами), третья секция 75Д (с номинальным подаваемым объёмом 1,2 см³, с двумя отводами), четвертая 125Е (с номинальным подаваемым объёмом 4,0 см³, с одним отводом); пятая 150Д (с номинальным подаваемым объёмом 2,4 см³, с двумя отводами); последняя шестая секция – 150ДА (с номинальным подаваемым объёмом 2,4 см³, с двумя отводами и шток-индиктором расположенным слева), предназначенного для работы в районах (странах) с умеренным климатом, категория размещения 4: Питатель МХ-6 (50Д-50Д-75Д-125Е-150Д-150ДА) УХЛ4 ТУ У 054 09685.004-2000