Описание гидрозамков модульных ГЗМ
Гидрозамки ГЗМ служат для свободного пропускания потока рабочей гидравлической жидкости в одном направлении и запирания - в обратном направлении при отсутствии управляющего воздействия и свободного пропускания потока в обоих направлениях при наличии управляющего воздействия.
Область применения - гидроприводы прессов, станков, литейных и литьевых машин, мобильной техники и другого гидрофицированного оборудования.
Условное графическое обозначение замков ГЗМ
Структура условного обозначения
|
1 |
- |
2 |
/ |
3 |
4 |
5 |
|---|---|---|---|---|---|---|
|
ГЗМ |
6 |
3 |
М |
В |
|
1
|
Тип детали |
ГЗМ - Модульный гидрозамок |
|
2
|
Условный проход, мм |
6 10 16 20 |
| 3 | Номинальное давление на входе | 3 = 32 МПа |
| 4 |
Исполнение |
Без обозначения = стандартное исполнение М = модернизированный (см. пояснение ниже) |
| 5 |
Функциональные порты |
Без обозначения = А и В А = А В = В |
Основные характеристики гидрозамков ГЗМ
|
Наименование |
Обозначение |
|||
|---|---|---|---|---|
|
ГЗМ6/3 (ГЗМ6/3М) |
ГЗМ10/3 (ГЗМ10/3М) |
ГЗМ16/3 (ГЗМ16/3М) |
ГЗМ20/3 (ГЗМ20/3М) |
|
|
Условный проход |
6 мм |
10 мм |
16 мм |
20 мм |
|
Давление на входе, МПа: |
32 |
|||
|
Давление открывания, МПа |
0.05 |
|||
|
Расход рабочей жидкости, л/мин: |
32 |
63 |
125 |
200 |
|
Соотношение рабочих площадей: |
4:1 |
4:1 |
13:1 |
30:1 |
Конструкция гидрозамка ГЗМ
В расточках корпуса установлены поршень (толкатель) и запорные элементы, связанные с обеими цилиндровыми гидролиниями для исполнений ГЗМ-*3 или с гидролиниями А или В для исполнений, соответственно, ГЗМ-*/3А и ГЗМ-*/3В.
Для повышения соотношения рабочих площадей при использовании дифференциальных гидроцилиндров в запорных элементах гидрозамков исполнений ГЗМ-16/3 и ГЗМ-20/3 могут устанавливаться вспомогательные клапаны (декомпрессоры).
В маркировке гидроклапанов ГЗМ ранее использовалась буква «М», что обозначает применение модернизированной конструкции, в которой имеется четыре линии вместо ранее использованных пяти. В настоящее время ГЗМ с пятью линиями больше не производятся, и букву «М» в обозначениях сократили.
Принцип работы гидрозамков ГЗМ
Гидрозамки ГЗМ запирают жидкость в рабочих линиях A и B, при падении давления в гидравлической системе. Линии P и T, используются для сквозного прохода рабочей жидкости от других аппаратов. Гидравлические замки позволяют надёжно запирать полости цилиндра как при случайном падении давления в гидроприводе, так и при остановке цилиндра в промежуточном положении.
В большинстве случаев гидрозамки устанавливаются между гидрораспределителем и монтажной плитой и уплотняются в сборе уплотнительными кольцами круглого сечения, размещенными в цековках корпуса.
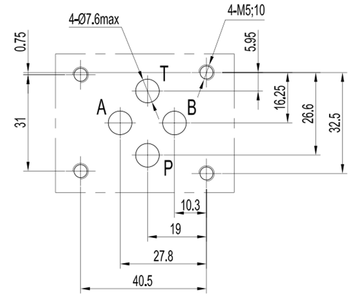
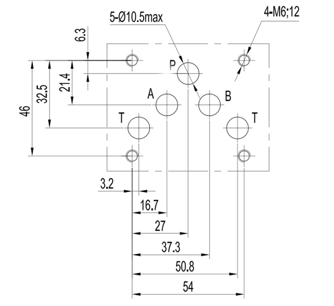
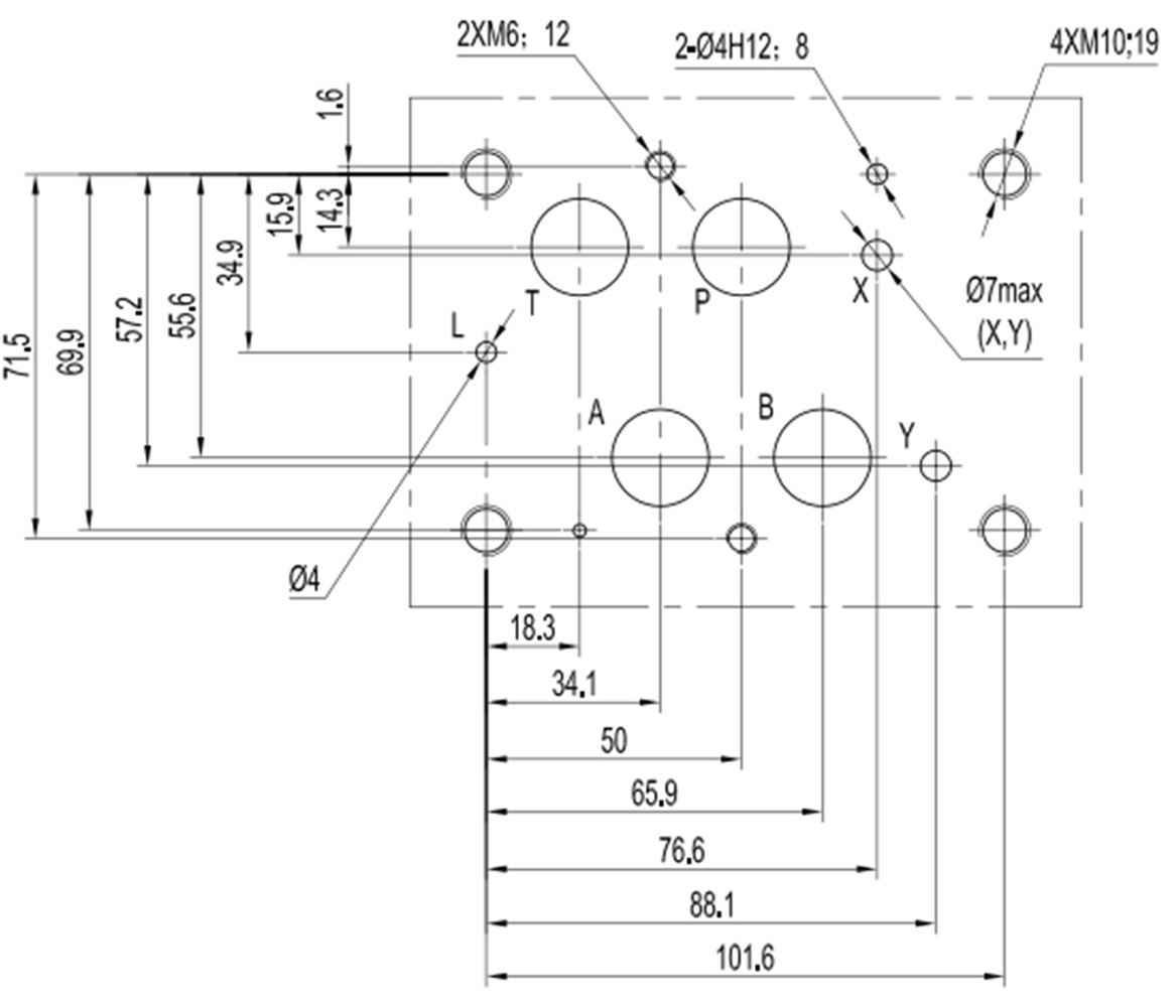
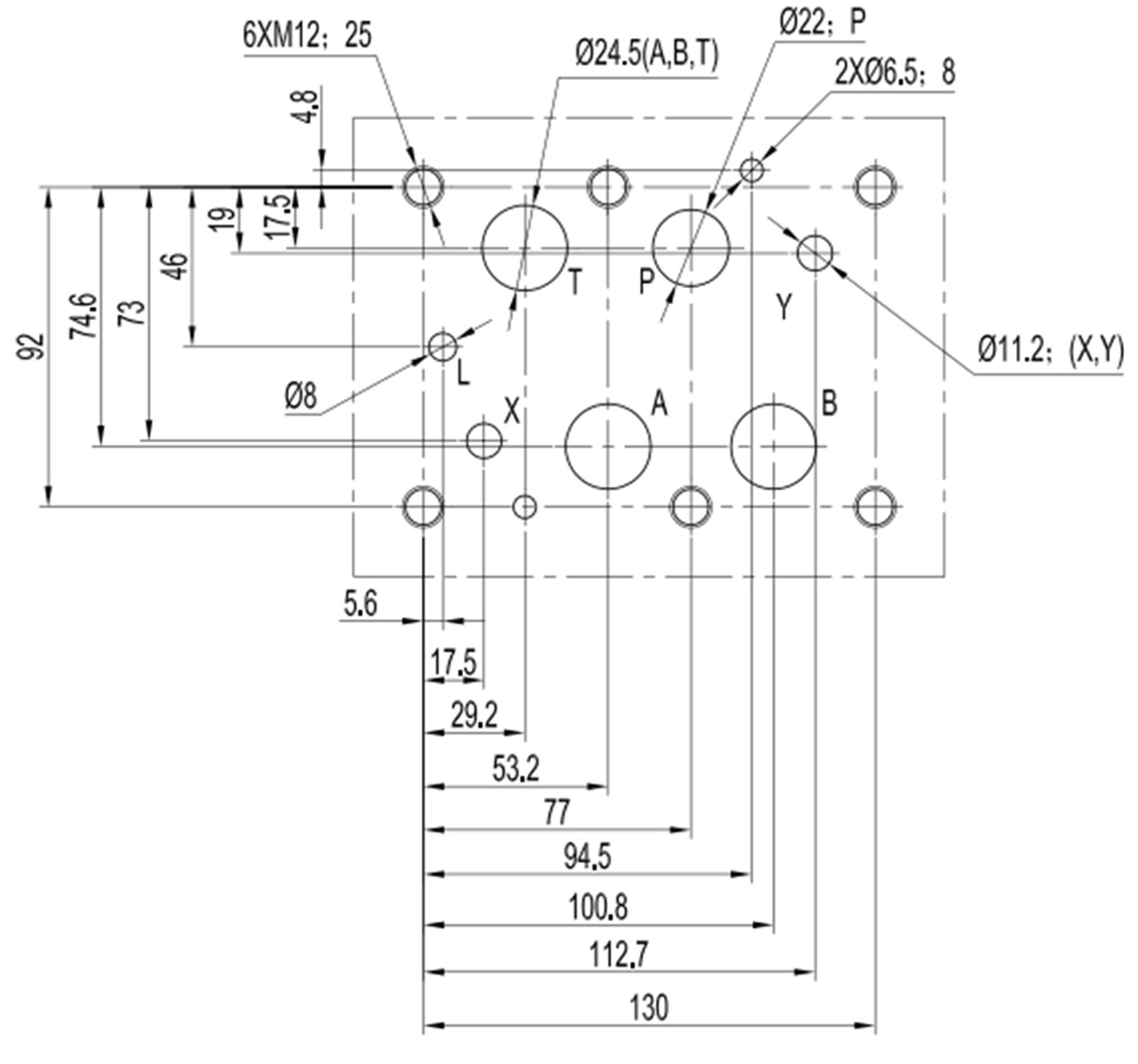
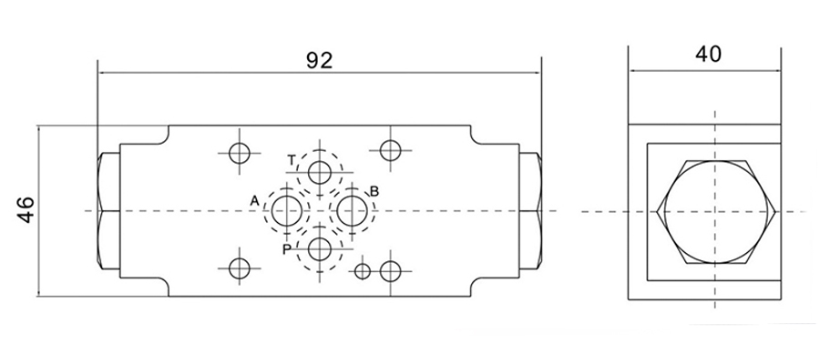
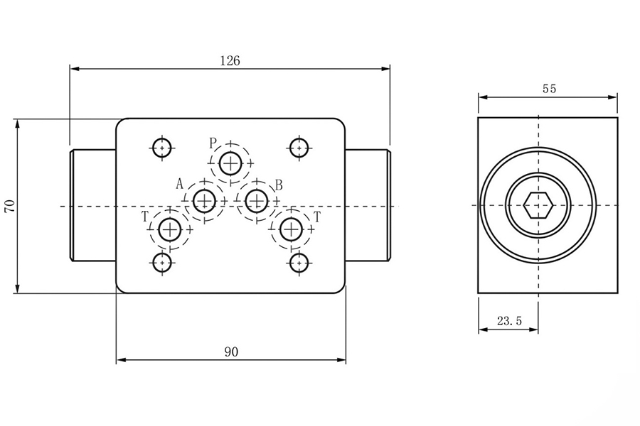
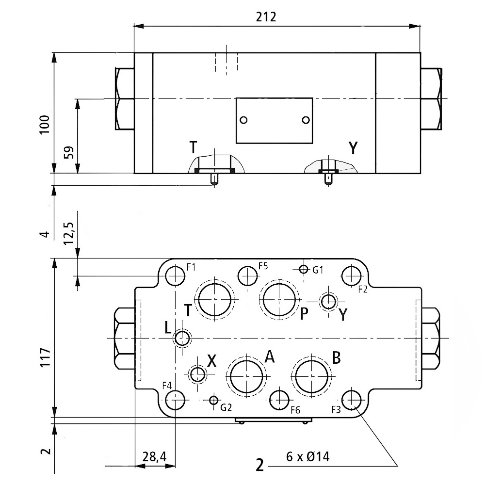
Присоединительные размеры гидрозамков ГЗМ




Габаритные размеры гидрозамков ГЗМ



