|
|
Описание гидродросселей MERS
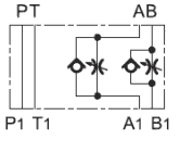
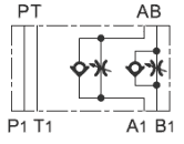
Гидроклапан расхода MERS является нескомпенсированным дросселем с обратным клапаном для получения свободного обратного потока. Он изготовлен в модульном исполнении с монтажной поверхностью, соответствующей ISO 4401(CETOP RP 121 H) стандартам. Этот клапан может быть быстро смонтирован со всеми клапанами CETOP 03 без использования труб, а только с помощью соответствующих шпилек или болтов, образуя таким образом компактные модульные группы. Он также может использоваться как реверсивный клапан (версия G*). Обеспечивает управление расходом рабочей жидкости на входе или на выходе в зависимости от установки клапана на монтажной плите.Все конфигурации оснащены обратным клапаном позволяющим получить свободный обратный поток (давление открытия клапана 0,5 бар). Обычно клапан поставляется в комплекте с регулировочным винтом с шестигранной головкой.
Конфигурации: (смотрите таблицу обозначений на гидравлических схемах)
Гидравлические жидкости
Используйте гидравлические жидкости на основе минеральных масел типа HL или HM, в соответствии со стандартом ISO 6743-4. Для жидкостей типа HFDR (фосфатных эфиров) используйте уплотнения FPM (код V). |
Структура обозначения и параметры
|
|
||||||||||||||||||||||||||||||||||||||||||||||||||||||||||||||||||||||||||||||||||||||||||||||||||
Габаритные и монтажные размеры дросселей Duplomatic MERS
Габаритные и монтажные размеры гидродросселей MERS
|
Дроссели MERS-D, MERS-RD, MERS-SA, MERS-SB
Дроссели MERS-GD, MERS-GSA, MERS-GSB
ПРИМЕЧАНИЕ: На монтажной поверхности клапана MERS-*G не предусмотрены проточки под уплотнения типа OR. Монтаж клапана производится на плиту с уплотнениями типа OR. Управление путем изменения расхода рабочей жидкости в магистралях (на входе или на выходе) зависит от расположения клапана на монтажной плите. |
Дроссель МERS-D/50
Устройство регулятора расхода МERS
Размеры поверхности для модульного монтажа




Габаритные и монтажные размеры гидродросселей MERS