Станция смазочная MPT-3-NY-200-25 (60.821.1)
|
Станции типа MPT предназначены для подачи жидкого смазочного материала к импульсным смазочным питателям и служат для комплектации импульсных смазочных систем с электроприводом. Электронасос и другие устройства закреплены на крышке бака, сделанной из стального листа. На ней также выполнены отверстия для крепления станции к стенке машины. Станция помимо шестерённого насоса оснащена клапаном стравливания пузырей воздуха, клапаном сброса давления, регулятором давления, реле уровня и заливным фильтром. В конце заданного времени перерыва включается электронасос. Насос доставляет определённые количества смазки в импульсные питатели к точкам смазки машины. Перед выключением насоса в конце рабочего времени необходимо проконтролировать, замкнуты ли контакты реле давления или нет. Если “да” - то цикл смазки завершён. после сброса давления в системе, полости импульсных питателей снова заполняются смазкой и циклы смазки повторяются в соответствии со временем перерыва. Частичная смазка возможна при кратковременной подаче давления. Сигналы о неисправности поступают тогда, когда нет давления во время цикла смазки, нет сброса давления во время перерыва или когда уровень масла в баке ниже допустимого. Технические характеристики электродвигателя
|
- Станции для систем импульсного действия для жидкой смазки. Модель MPT-200.
- Станции для систем импульсного действия для жидкой смазки. Модель MPT-200/LA
- Станции для систем импульсного действия для жидкой смазки. Модель MPT-500/LA
- Станции для систем импульсного действия для полужидкой смазки. Модель MPT-200/G.
- Станции для систем импульсного действия для полужидкой смазки. Модель MPT-200/G/LA
Технические характеристики станций смазочных МРТ:
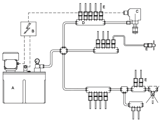
Пример схемы системы импульсного действия со станцией модели MPT
![]() Схема системы смазочной импульсного действия со станцией MPT |
|
Примечание: Магистраль предподчительно заканчивать коллекторами с импульсными питателями, направленными вверх, так как это обеспечивает естественное удаление воздуха из системы и нормальную работу питателей. |
||||||||||
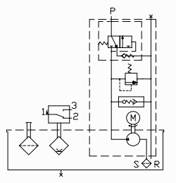
![]() Принципиальная схема станции MPT |
Перечень станций МРТ (MPT-200, MPT-500) поставляемых ООО Таурус:
| Наименование (код станции) | Материал и объем бака | Рабочее давление |
| Станции для жидкой смазки | ||
| Станция MPT-3-NY-200-25 (60.821.1) | пластиковый 3 л | 5 - 25 бар (0,5 - 2,5 МПа) |
| Станция MPT-3-NY-500-50 (60.822.2) | пластиковый 3 л | 15 - 50 бар (1,5 - 5,0 МПа) |
| Станция MPT-6-NY-200-25 (60.821.2) | пластиковый 6 л | 5 - 25 бар (0,5 - 2,5 МПа) |
| Станция MPT-3-LA-200-25 (60.821.3) | металлический 3 л | 5 - 25 бар (0,5 - 2,5 МПа) |
| Станция MPT-6-LA-200-25 (60.821.4) | металлический 6 л | 5 - 25 бар (0,5 - 2,5 МПа) |
| Станция MPT-12-LA-200-25 (60.821.5) | металлический 12 л | 5 - 25 бар (0,5 - 2,5 МПа) |
| Станция MPT-50-LA-200-25 (60.821.6) | металлический 50 л | 5 - 25 бар (0,5 - 2,5 МПа) |
| Станция MPT-6-LA-500-25 (60.822.5) | металлический 6 л | 5 - 25 бар (0,5 - 2,5 МПа) |
| Станция MPT-12-LA-500-25 (60.822.6) | металлический 12 л | 5 - 25 бар (0,5 - 2,5 МПа) |
| Станция MPT-50-LA-500-25 (60.829.0) | металлический 50 л | 5 - 25 бар (0,5 - 2,5 МПа) |
| Станция MPT-6-LA-500-50 (60.822.8) | металлический 6 л | 15 - 50 бар (1,5 - 5,0 МПа) |
| Станция MPT-12-LA-500-50 (60.822.9) | металлический 12 л | 15 - 50 бар (1,5 - 5,0 МПа) |
| Станция MPT-50-LA-500-50 (60.829.1) | металлический 50 л | 15 - 50 бар (1,5 - 5,0 МПа) |
| Станции для полужидкой смазки | ||
| Станция MPT-3-G-NY-200-50 (60.823.1) | пластиковый 3 л | 15 - 50 бар (1,5 - 5,0 МПа) |
| Станция MPT-6-G-NY-200-50 (60.823.2) | пластиковый 6 л | 15 - 50 бар (1,5 - 5,0 МПа) |
| Станция MPT-3-G-LA-200-50 (60.823.3) | металлический 3 л | 15 - 50 бар (1,5 - 5,0 МПа) |
| Станция MPT-6-G-LA-200-50 (60.823.4) | металлический 6 л | 15 - 50 бар (1,5 - 5,0 МПа) |
| Станция MPT-12-G-LA-200-50 (60.823.5) | металлический 12 л | 15 - 50 бар (1,5 - 5,0 МПа) |
| Станция MPT-50-G-LA-200-50 (60.823.6) | металлический 50 л | 15 - 50 бар (1,5 - 5,0 МПа) |
Станция смазочная MPT-3-NY-200-25 (60.821.1)

