Описание насосов НШ (А)
К преимуществам шестеренных насосов НШ (А) можно отнести:
- Осевую и гидравлическую балансировку конструкции;
- Надежность конструкции насоса;
- Низкий уровень шума во время работы.
Структура условного обозначения НШ (А)
| 1 | 2 | 3 | - | 4 | 5 | 6 | 7 | 8 |
|---|---|---|---|---|---|---|---|---|
| НШ | 32 | А | 3 | Л | Т | А | 1 |
| 1 | Тип устройства | НШ = насос шестеренный |
| 2 | Код рабочего объема |
32 50 100 |
| 3 | Конструктивное исполнение (Серия) |
М = MASTER A = ANTEY |
| 4 | Исполнение по номинальному давлению |
3 = 160 бар 4 = 200 бар |
| 5 | Направление вращения |
Без обозначения = по часовой стрелке Л = против часовой стрелки |
| 6 | Климатическое исполнение |
N* = умеренный и холодный климат T = тропический климат |
| 7 | Исполнение валов |
A = вал с 4-мя шлицами B = вал с шириной шлица 6 мм C = вал гладкий со шпонкой D = ГСТУ 3-25-180-97 |
| 8 | Уплотнение |
1 = NBR 2 = FPM |
Технические характеристики НШ (А)
| Параметр | изм. | НШ32A-3 |
НШ50A-3 |
НШ100A-3 |
|---|---|---|---|---|
| Рабочий объем |
См3 |
32 | 50 | 100 |
| Номинальное давление |
бар |
160 |
||
| Максимальное кратковременное давление |
бар |
210 | ||
| Максимальное пиковое давление |
бар |
250 |
||
| Максимальная частота вращения |
Мин-1 |
3000 |
2400 |
|
| Минимальная частота вращения |
Мин-1 |
500 |
||
| Масса, не более |
Кг |
7 |
8 |
17 |
Устройство и принцип работы НШ (А)
Насосы шестеренные, серии НШ «ANTEY» состоят из: корпуса и крышки, ведомой и ведущей шестерен, центрирующей втулки, разгрузочной манжеты, а также манжеты торцового и радиального уплотнения, опорного, стопорного и уплотнительного колец, платика, и обойм - поджимной и подшипниковой.
Установка насоса происходит на вал отбора мощности, который обеспечивает вращение насоса через шлицевое соединение. Это соединение гарантирует передачу крутящего момента, что критически важно для эффективной работы системы. На передней стенке насоса предусмотрено отверстие, через которое проходит приводной вал. В этом отверстии размещена манжета, выполняющая роль уплотнителя для ведущего ротора. Манжета предотвращает утечку масла и обеспечивает герметичность.
Для обеспечения герметичности соединений корпуса насоса с крышками используются уплотнительные кольца. Эти кольца предотвращают попадание загрязнений внутрь насоса и утечку рабочей жидкости наружу. Важно отметить, что манжета также входит в специальные выточки подшипниковых втулок, что дополнительно улучшает герметизацию и защищает внутренние элементы от износа.
Внутри насоса есть полость, где между наружным диаметром подшипниковой втулки и выточками, расположенными со стороны выхода, подается масло. Это масло под собственным давлением прижимает втулки к торцам роторов. Данная конструктивная особенность позволяет компенсировать износ поверхностей как втулок, так и роторов. Таким образом, насос поддерживает свою работоспособность на высоком уровне даже при длительной эксплуатации.
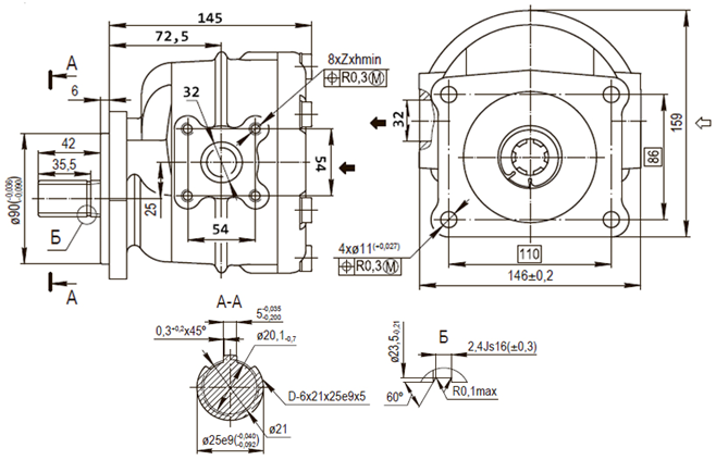
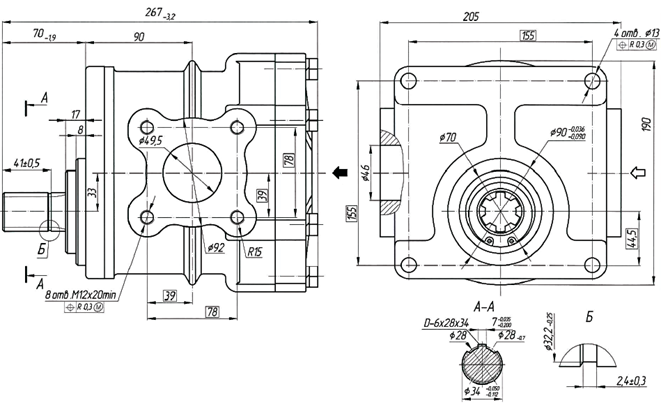
Габаритные и присоединительные размеры НШ (А)


Регулярная проверка уровня масла, контроль за давлением в системе, а также своевременная замена изношенных деталей – залог долгой и бесперебойной работы гидравлического насоса. Несоблюдение этих правил может привести к преждевременному выходу насоса из строя и возникновению дорогостоящих поломок в гидравлической системе.