Описание плит ВЕХ16 типа D07SP
Плиты D07SP - одноместные гидравлические монтажные плиты, предназначенные для размещения на них различного направляющего и регулирующего гидравлического оборудования.
Монтажная поверхность плит типа D07SP выполнена по стандарту CETOP7 и предназначена для установки гидрокомпонентов модульного монтажа (например, гидрораспределители, предохранительные клапаны и др.) с условным проходом 16 мм (Ду = 16 мм). В стандартном исполнении данные плиты выполнены из стали с трубными цилиндрическими резьбами (BSP) на гидравлических линиях. Преимуществом установки оборудования на плиты является простота монтажа и обслуживания, компактность конструкции, уменьшение уровня шума и утечек в гидросистеме.
Структура условного обозначения плит ВЕХ16 типа D07SP
|
1 |
2 |
3
|
4 |
5 |
|
D |
07 |
SP |
SO |
12G |
| 1 | Материал |
D = кованая сталь (стандарт) A = алюминий (спец. исполнение) |
| 2 | Типоразмер | 07 = CETOP7 (Ду = 16 мм) |
| 3 | Тип изделия | SP = Subplate (монтажная плита) |
| 4 | Расположение выходов |
SO = выходы вбок ST = линии P, A, B вбок; линия T вниз (только для резьб 12Z и 12S) B = выходы вниз |
| 5 | Резьба и размер выходов |
12G = BSP 3/4" 12Z = NPT 3/4" 12S = SAE 12 12M = ISO M27 16G = BSP 1" 16Z = NPT 1" 16S = SAE 16 16M = ISO M33 |
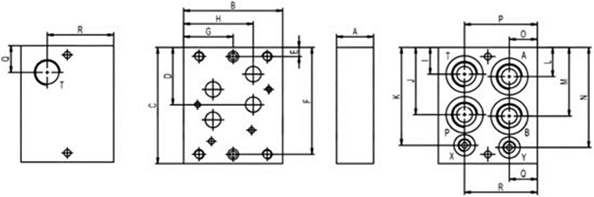
Габаритные и присоединительные размеры плит D07SP

|
Тип плиты |
A |
B |
C |
D |
E |
F |
G |
H |
I |
|
D07SPSO12G(Z,S,M) |
44.5 |
95.3 |
121 |
59.4 |
9.5 |
111 |
47.8 |
68.3 |
20.6 |
|
D07SPST12G(Z,S,M) |
44.5 |
95.3 |
121 |
59.4 |
9.5 |
111 |
47.8 |
68.3 |
20.6 |
|
D07SPSO16G(Z,S,M) |
76.2 |
127 |
140 |
75.4 |
12.7 |
127 |
63.5 |
84.2 |
29.5 |
|
D07SPB12G |
38.1 |
102 |
121 |
59.4 |
9.5 |
111 |
50.8 |
71.4 |
27.7 |
|
D07SPB12(Z,S,M) |
38.1 |
102 |
121 |
54.9 |
9.5 |
111 |
50.8 |
71.4 |
27.7 |
|
D07SPB16G(Z,S,M) |
69.9 |
127 |
152 |
74.4 |
12.7 |
140 |
63.5 |
84.2 |
31.8 |
|
Тип плиты |
J |
K |
L |
M |
N |
O |
P |
Q |
R |
|
D07SPSO12G(Z,S,M) |
38.1 |
79.5 |
30.2 |
70.6 |
31.8 |
28.4 |
66.5 |
– |
– |
|
D07SPST12G(Z,S,M) |
38.1 |
79.5 |
– |
70.6 |
31.8 |
28.4 |
66.5 |
27.7 |
68.3 |
|
D07SPSO16G(Z,S,M) |
46 |
105 |
30.2 |
88.9 |
60.3 |
44.5 |
82.6 |
– |
– |
|
D07SPB12G |
69.9 |
102 |
30.2 |
71.4 |
104 |
28.7 |
74.7 |
28.7 |
74.7 |
| D07SPB12(Z,S,M) |
71.4 |
102 |
31.8 |
73.9 |
104 |
28.7 |
74.7 |
28.7 |
74.7 |
| D07SPB16G(Z,S,M) |
88.9 |
135 |
34.9 |
92.1 |
135 |
34.9 |
92.1 |
41.3 |
87.3 |
Примечание:
Алюминиевые плиты (нестандартное исполнение) имеют габаритные и присоединительные размеры идентичные плитам из стали