Описание насосов шестерённых Г11-2
Насосы шестеренные Г11-2 (иногда их называют насосы шестерёнчатые) предназначены для нагнетания постоянного по величине и направлению потока минерального масла с кинематической вязкостью от 10 до 400 мм²/с при температуре масла 10...55°С в смазочные системы станков и других стационарных машин.
Нижний предел вязкости ограничивается смазывающей способностью перекачиваемой жидкости, верхний – мощностью электродвигателя и всасывающей способностью насоса. Масляные системы должны быть оснащены фильтрами с номинальной тонкостью фильтрации не более 40 мкм, установленными на напорной или сливной магистрали. Чистота рабочей жидкости не менее 13 класса по ГОСТ 17216-71. Климатическое исполнение и категория размещения по ГОСТ 15150-69.
Насосы шестеренные Г 11-2 применяются в технологическом оборудовании и выполняют следующие функции:
- для обеспечения смазки трущихся деталей и узлов
- для создания рабочего давления в гидравлических системах. Насосы первой группы обеспечивают давление на выходе до 5 атм, насосы второй группы до 25 атм.
- для перекачивания жидкостей
Привод насосов должен осуществляться через упругую муфту, компенсирующую колебания, ударные нагрузки и несоосность валов привода и насоса. Насосы могут устанавливаться в горизонтальном или вертикальном положении на жестком основании, исключающем вибрации.
Структура условного обозначения шестеренчатых насосов Г11-2
|
1 |
- |
2 |
3 |
4 |
5 |
6 |
|
Г11 |
2 |
3А |
УХЛ
|
4 |
|
1 |
Модель насоса |
Г11 |
|
2 |
Группа насоса |
2 |
|
3 |
Рабочий объем |
2А = 11,2 см3 2 = 16 см3 3А = 22,4 см3 3 = 29,1 см3 4А = 40 см3 4 = 56 см3 5А = 80 см3 5 = 100 см3 |
|
4 |
Направление вращения вала |
Без обозначения = правое |
|
5 |
Климатическое исполнение |
У = умеренный климат |
|
6 |
Категория размещения |
1/2/3/4/5 = категории размещения в соответствии с ГОСТ 15150-69 |
Описание конструкции и принципа работы шестеренных насосов типа Г11-2
В расточках корпуса 1 насоса размещены два стальных закаленных зубчатых колеса 15 и подшипники скольжения, выполненные в виде четырех монолитных втулок 8. Колеса с помощью шпонок 12 связаны с ведущим 9 и ведомым 11 валами. Рабочий комплект (зубчатые колеса, втулки, валы)удерживается в корпусе крышками 13 и 16, причем последняя содержит манжетное уплотнение 17. В осевом направлении колеса фиксируются относительно валов пружинными кольцами 10, допускающими возможность самоустановки колес относительно сопряженных торцовых поверхностей втулок 8. В валах 9 и 11 выполнены отверстия 5, а на поверхности крышки 13 - канавки 4, служащие для отвода утечек масла во всасывающую линию. При вращении зубчатых колес увеличивается объем камеры 3 насоса, расположенной со стороны выхода зубьев из зацепления, и она заполняется маслом через отверстие 2, связанное со всасывающей линией. В зоне рабочей камеры 7 зубья входят в зацепление, вытесняя масло из межзубьевых впадин в напорную линию через отверстие 14. Для исключения запирания масла в межзубьевых впадинах на торцовых поверхностях втулок 8 выполнены разгрузочные канавки 6. Для улучшения условий всасывания камера 3 расширена специальной фрезеровкой, а камера 7 выполнена в виде узкой щели для уменьшения неуравновешенных радиальных нагрузок, действующих на зубчатые колеса.
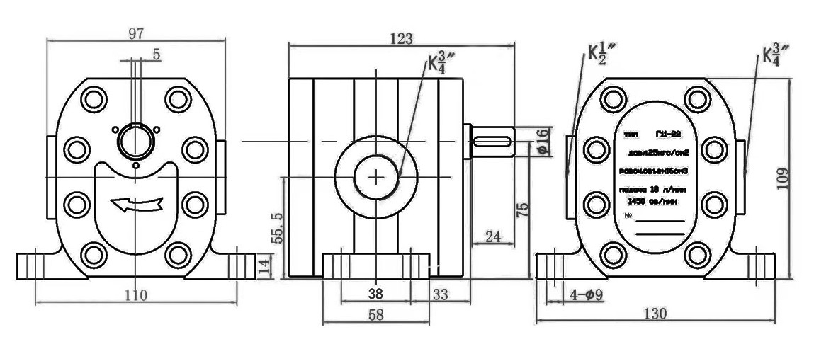
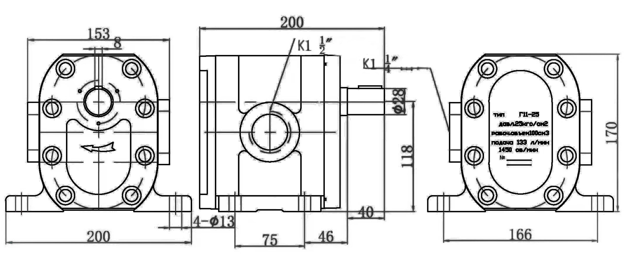
Габаритные и присоединительные размеры Г11-2




Параметры насосов Г11-2
|
Наименование |
||||||||
|
Рабочий объём см3 |
11,2 |
16 |
22,4 |
29,1 |
40 |
56 |
80 |
100 |
|
Номинальная подача л/мин. |
12 |
18 |
26 |
38 |
51,5 |
73 |
105 |
133 |
|
Коэф. подачи % не менее |
76 |
78 |
80 |
82 |
89 |
90 |
91 |
92 |
|
КПД % не менее |
54 |
56 |
64 |
68 |
72 |
74 |
76 |
77 |
|
Давление на входе, МПа |
не более - 0,02 |
|||||||
|
Частота вращения, с-1 (об/мин) |
24,0 (1450) |
|||||||
|
Масса, кг - насоса |
6 |
6 |
8.7 |
8.7 |
11 |
11 |
16 |
16 |
См. так же: габаритные и присоединительные размеры насосов Г11-2...