Фильтр
Сначала популярные
Описание обратных гидроклапанов VR3-P, VR5-P, VR7-P
Рабочие параметры
Температура окружающей среды: от -20°C до +50°C.Температура рабочей жидкости: от -20°C до +80°C.
Вязкость рабочей жидкости: от 10 сСт до 400 сСт.
Рекомендуемая вязкость рабочей жидкости: 25 сСт.
Допустимый уровень загрязнения жидкости: класс 20/18/15 по ISO 4406:1999
Используйте гидравлические жидкости на основе минеральных масел с добавлением применимых антивспенивателей и антиоксидантов.
Устройство и работа клапанов VR*-P
Когда давление на входной линии "А" превышает значение усилия пружины добавленное к давлению на выходной линии "B", тарелка открывается, позволяя жидкости свободно проходить из канала "A" в "B".
При падении давления в канале "A", конусная тарелка снова прижимается пружиной к седлу, перекрывая входную линию.
Структура обозначения обратных клапанов VR3-P1(P2, P3), VR5-P1(P2, P3), VR7-P1(P2, P3)
|
1 |
- |
2 |
3 |
/ |
4 |
/ |
5 |
|
VR5 |
P |
1 |
10 |
V |
| 1 | Тип устройства |
VR3 = гидроклапан обратный, номинальный размер 3/8" VR5 = гидроклапан обратный, номинальный размер 3/4" VR7 = гидроклапан обратный, номинальный размер 1 1/4" |
| 2 | Тип монтажа | P = стыковой монтаж на промежуточной плите |
| 3 | Давление срабатывания клапана |
1 = 0,5 бар 3 = 5,0 бар 4 = 10,0 бар |
| 4 | Номер серии |
10 = для VR3-P и VR5-P 11 = для VR7-P |
| 5 | Уплотнения |
без обозначения = для минеральных масел V = вайтон для специальных жидкостей |
Примеры обозначения при заказе:
VR3-P1/10 - Обратный клапан, монтаж на плиту, 350 бар, 100 л/мин, давление срабатывания 0,5 бар;
VR3-P3/10 - Обратный клапан, монтаж на плиту, 350 бар, 100 л/мин, давление срабатывания 5,0 бар;
VR5-P1/10 - Обратный клапан, монтаж на плиту, 350 бар, 200 л/мин, давление срабатывания 0,5 бар;
VR5-P3/10 - Обратный клапан, монтаж на плиту, 350 бар, 200 л/мин, давление срабатывания 5,0 бар;
VR7-P1/11 - Обратный клапан, монтаж на плиту, 250 бар, 400 л/мин, давление срабатывания 0,5 бар;
Технические характеристики
| Параметр для клапана | VR3-P | VR5-P | VR7-P |
| Номинальный размер | 3/8" | 3/4" | 1 1/4" |
| Максимальный расход (л/мин) | 100 | 200 | 400 |
| Масса (кг) | 2,3 | 4,8 | 9 |
| Максимальной рабочее давление (бар) | 350 | 350 | 250 |
Диаграммы характеристик (при вязкости 36 сСт и температуре 50°C)

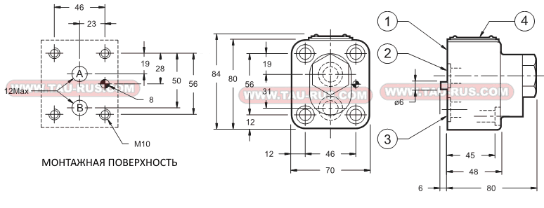
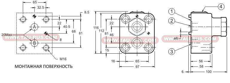
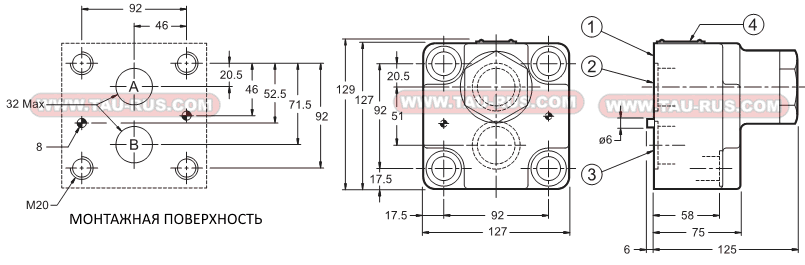
Размеры обратных клапанов VR3-P1(P2, P3), VR5-P1(P2, P3), VR7-P1(P2, P3)

| 1 | Монтажная поверхность с уплотнительными кольцами: 2 шт. типа OR 3068 |
| 2 | Входное отверстие А |
| 3 | Выходное отверстие B |
| 4 | Идентификационная табличка |
Крепежные винты: 4 винта М10x60
Крутящий момент затяжки: 40 Нм

| 1 |
Монтажная поверхность с уплотнительными кольцами: 2 шт. типа OR 3100 |
| 2 | Входное отверстие А |
| 3 | Выходное отверстие B |
| 4 | Идентификационная табличка |
Крепежные винты: 4 винта М16x80
Крутящий момент затяжки: 170 Нм

| 1 |
Монтажная поверхность с уплотнительными кольцами: 2 шт. типа OR 4137 |
| 2 | Входное отверстие А |
| 3 | Выходное отверстие B |
| 4 | Идентификационная табличка |
Крепежные винты: 4 винта М20x90
Крутящий момент затяжки: 285 Нм