Описание питателей последовательных смазочных МГО, МГК

Номинальный подаваемый объем смазки каждой промежуточной секцией составляет от 2,4 до 19,2 см³ в один отвод за цикл. В зависимости от объема подаваемого смазочного материала за цикл, промежуточные секции (расположенные между входной и выходной секциями) имеют следующее обозначение: 150Д, 150Е, 300Д, 300Е, 450Д, 450Е, 600Д, 600Е. Любая из них может быть укомплектована шток-индикатором, на наличие которого
указывает литера «А» (слева, если смотреть на лицевую сторону питателя, когда вход сверху) или «В» (справа, если смотреть на лицевую сторону питателя, когда вход сверху), например: 300ДВ, 450ДА, 300ЕВ.
Примечание: в секциях 150Д и 150Е питателей МГО шток-индикатор не устанавливается.
Пошаговая работа в определённой последовательности секций питателей МГК и МГО позволяет централизованно контролировать подачу смазочного материала и использовать питатель в качестве основного распределительного устройства в адаптивных смазочных системах.
Примечания:
- Цикл работы питателя характеризуется подачей смазочного материала в каждый отвод питателя за один двойной ход золотника каждой секции.
- Из отвода секции с маркировкой Е подача смазочного материала за цикл производится два раза.
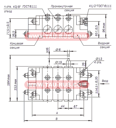
Размеры и параметры питателей МГО и МГК

|
Обозначение |
Число промежуточных секций |
Размеры, мм |
Масса, кг |
|
|---|---|---|---|---|
|
А±1 мм |
В, не более |
|||
|
Питатель МГО-3 МГК-3 |
3 |
219 |
282 |
14,85 |
|
Питатель МГК-4 МГО-4 |
4 |
264 |
326 |
18,65 |
|
Питатель МГО-5 МГК-5 |
5 |
308 |
370 |
22,45 |
|
Питатель МГК-6 МГО-4 |
6 |
352 |
415 |
26,25 |
|
Питатель МГО-7 МГК-7 |
7 |
396 |
459 |
30,05 |
|
Питатель МГК-8 МГО-8 |
8 |
442 |
503 |
33,85 |
|
Питатель МГО-9 МГК-9 |
9 |
486 |
547 |
37,65 |
|
Питатель МГК-10 МГО-10 |
10 |
530 |
591 |
41,50 |
Технические параметры питателей типа МХ
| Параметр |
Значения параметра |
|
|---|---|---|
| МГК | МГО | |
|
Давление на входе, МПа -номинальное -минимальное (перепад давлений) не более |
2,5 1,2 |
6,3 1,2 |
|
Номинальный подаваемый объем смазки за цикл, см³ 150Д 150Е 300Д 300Е 450Д 450Е 600Д 600Е |
2,40 |
|
|
Частота циклов в минуту -номинальное -максимальная |
60 200 |
60 200 |
| Вид смазочного материала | Жидкий | Жидкий |
Пример условного обозначения питателя исполнения МГО с тремя промежуточными секциями: первая секция 150Д (с номинальным подаваемым объёмом 2,4 см³, с двумя отводами), вторая секция 300Д (с номинальным подаваемым объёмом 4,8 см³, с двумя отводами), третья 300ЕА (с номинальным подаваемым объёмом 9,6 см³, с одним отводом и шток-индиктором расположенным слева), предназначенного для работы в районах (странах) с умеренным климатом, категория размещения 4:
Питатель МГО-3 (150Д-300Д-300ЕА) УХЛ4 ТУ У 054 09685.004-2000