Описание теплообменников воздушно-масляных АН
Использовать данный теплообменник можно как в гидросистемах крупного станочного оборудования, так и в любых мобильных системах.
Структура условного обозначения
|
1 |
2 |
3 |
- |
4 |
|
АН |
10 |
12Т |
DC24 |
|
1 |
Тип устройства |
АН = теплообменник воздушно-масляный |
|
2 |
Размер вентилятора |
06 10 |
|
3 |
Номер модели радиатора |
08Т 12Т |
| 4 | Напряжение |
Постоянный ток: DC12 = 12В DC24 = 24В DC36 = 36В
Переменный ток: AC110 = 110 В AC220 = 220 В AC380 = 380 В |
Технические характеристики
|
Модель |
Напряжение |
Макс. скорость потока (л\мин) |
Макс. рабочее давление (бар) |
Потребляемая мощность (Вт) |
Скорость (об\мин) |
Шум (дБ) |
Вес (кг) |
|
АН1012Т |
DC12V |
100 |
35 |
100 |
2890 |
60 |
10,5 |
|
DC24V |
2700 |
||||||
|
AC220V |
80 |
2650 |
|||||
|
АН0608T |
DC12V |
60 |
35 |
18 |
2500 |
50 |
4,3 |
|
AC110V |
38 |
2620 |
Принцип работы
Воздушно-масляные теплообменники охлаждают гидравлическую жидкость в системе за счет обмена потоками воздуха, который создает встроенный вентилятор, и теплом, которое исходит от внешних стенок радиатора.Таким образом, данное устройство отводит избыточное тепло и поддерживает оптимальную температуру для эффективной работы всей гидравлической системы, даже в условиях высокого уровня эксплуатации.
Примечание: Замена оборудования должна проводиться техническим специалистом.
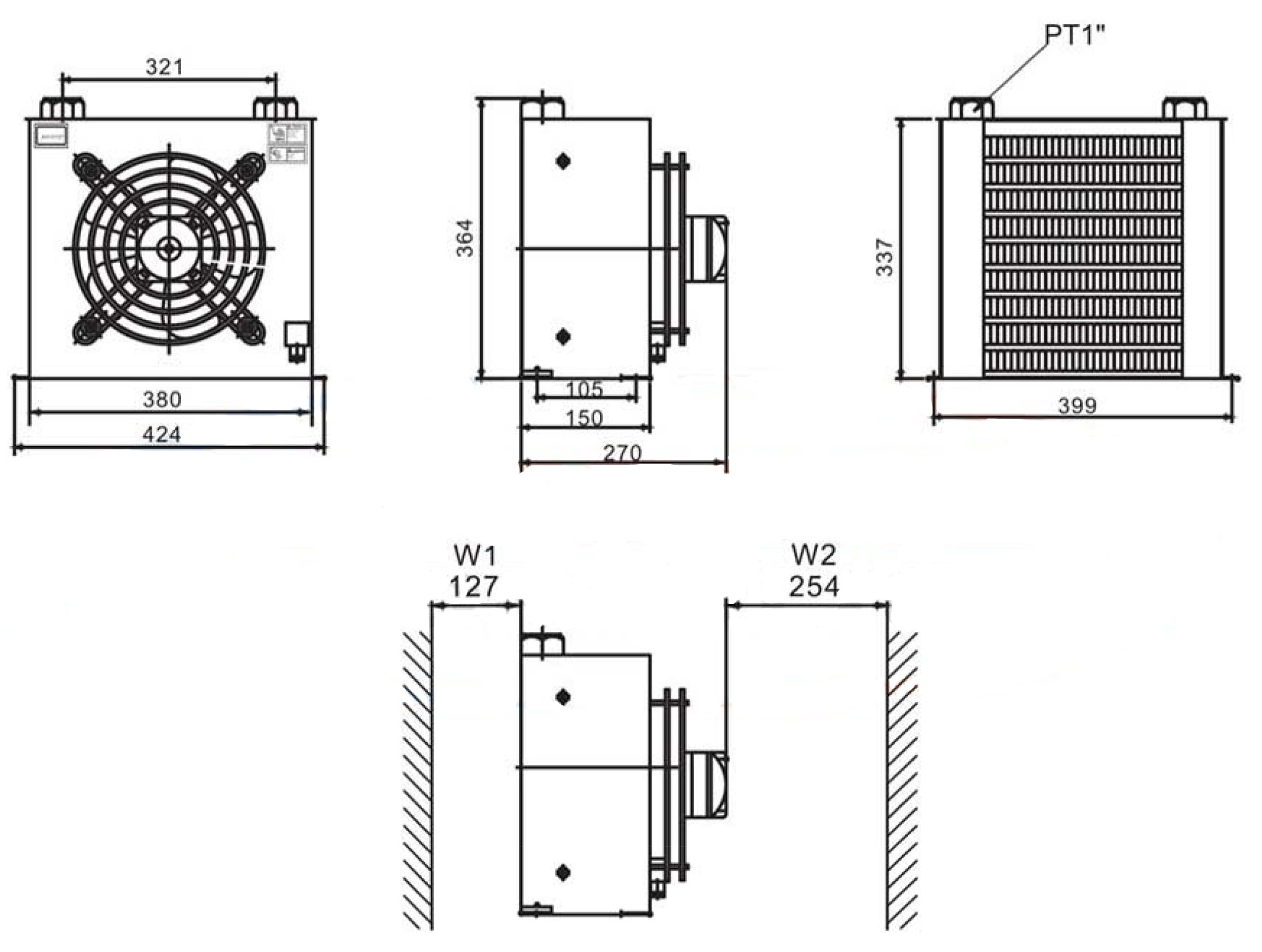
Габаритные и присоединительные размеры
