

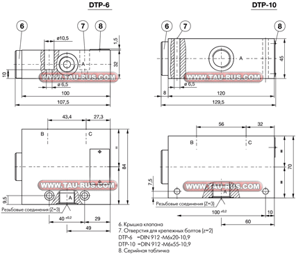
Габаритные размеры DTP-6, DTP-10

Размеры делителей потока DTP-6, DTP-10
Делители потока DTP-6, DTP-10 выполняют две функции: делят или объединяют потоки рабочей жидкости. Регулятор делит поток в направлении от А к В и С, и объединяет потоки в направлении от В и С к А. Соотношение между делением и объединением потоков: 50% на 50% независимо от давления в соответствующей магистрали (В или С). Регулятор состоит из корпуса (1), двух разделяющих золотников (2), трех слабых пружин (3).
Деление потока: Направление потока - от А к В и С. Поток в канале А делится и течет через дросселирующие отверстия (5) с постоянным сечением и дросселирующие отверстия (4) в секции В и С. Перепад давления при прохождении рабочей жидкости через дросселирующие отверстия (5) зависит от давления нагрузки. Увеличение расхода по направлению к одной секции провоцирует увеличение перепада давления при прохождении рабочей жидкости через дросселирующие отверстия (5). Перепад давления порождает силу, которая заставляет перемещаться оба золотника (2). Следовательно, сокращается сечение дросселирующих отверстий (4), и увеличивается перепад давления при прохождении рабочей жидкости через дросселирующие отверстия. Золотники продолжают перемещаться, пока не будет достигнут баланс величин перепада давления при прохождении рабочей жидкости через отверстия (5). Следовательно, уравновешиваются также оба потока рабочей жидкости.
Объединение потоков: Поток от В и С к А. Принцип работы тот же, что и при делении потока. Делитель потока объединяет потоки в соотношении 50% на 50%. Принцип работы зависит от перепада давления, который, в свою очередь, зависит от расхода. Поэтому делитель потока работает правильно только в пределах установленного диапазона величины расхода. Ограничение максимального расхода влияет на значение перепада давления, ограничение минимального давления влияет на точность выполнения функции деления и объединения потоков.
Технические характеристики делителей потока DTP-6, DTP-10
| ПАРАМЕТР | Наименование делителей потока | |
| Делитель потока DTP-6-35-G3/8 | Делитель потока DTP-10-70-G1/2-ZN | |
| Минимальный расход рабочей жидкости, л/мин | 12 | 35 |
| Максимальный расход рабочей жидкости, л/мин | 35 | 70 |
| Максимальное рабочее давление, МПа | 35 | |
| Деление потока, % | 50 на 50 | |
| Точность деление потока, % | ± 5 | |
| Диапазон температуры рабочей жидкости, °C | -20...+70 | |
| Вязкость рабочей жидкости, мм²/с | 15...380 | |
| Класс чистоты рабочей жидкости | 8 (по NAS 1638) | |
| Масса делителя потока не более, кг | 1,7 | 2,65 |
Пример условного обозначения при заказе делителя потока резьбового присоединения G1/2, с максимальным расходом рабочей жидкости 70 л/мин:
Делитель потока DTP-10-70-G1/2-ZN