900.14.7 - Клапан плавного пуска
900.14.7 - Клапан плавного пуска
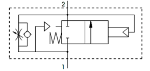
Клапан плавного пуска 900.14.7
|
|
— Клапан плавного пуска 900.14.7 предназначен для плавной подачи давления в пневмосистему при пуске оборудования с целью исключения неконтролируемого движения пневмоприводов. Регулировка скорости увеличения давления. Быстрый сброс давления через обратный клапан. Рабочее давление: 2,5...10 бар. Присоединение: G1/4". — Клапан плавного пуска 900.14.7 обеспечивает расход 760 нл/мин (из 1 в 2) и 900 нл/мин (из 2 в 1) (при 6 бар и ΔР=1 бар). Температура эксплуатации –5…+70 °С. Размеры клапана 900.14.7
|
Технические характеристики клапана 900.14.7
| Параметр | ед. изм. | Наименование изделия |
| 900.14.7 | ||
| Среда | - | Отфильтрованный воздух |
| Мин. / макс. рабочее давление | бар | 2,5 / 10 |
| Расход из 1 в 2 | нл/мин | 760 |
| Расход из 2 в 1 | нл/мин | 900 |
| Минимальный расход для полного открывания клапана | нл/мин | 200 |
| Рабочая температура | °C | -5...+70 |
| Присоединение | дюйм | 1/4 |
Пример обозначения клапана плавного пуска при заказе:
900.14.7 - Клапан Плавного Пуска, 1/4''.
Чтобы оплатить покупку в интернет-магазине достаточно добавить заинтересовавший вас товар в корзину и перейти на ее страницу. Далее останется заполнить контактную информацию и данные о доставке или возможности для самовывоза. Автоматически сформируется счет для оплаты.
Для подтверждения заказа с вами свяжется наш менеджер.
Подробнее о том, как оформить заказа, рассказали в разделе «Помощь».
Также оформить заказ можно напрямую по почте info@Tau-Rus.com, наши менеджеры оперативно ответят и помогут с подбором аналогов, если это необходимо.
Заказ, оформленный в интернет-магазине, вы можете получить двумя способами: через самовывоз с нашего склада или посредством услуг транспортной компании (на этапе оформления заказа вы можете выбрать наиболее удобный вариант и подходящую транспортную компанию).
Об условиях и возможностях доставки, рассказали в разделе «Помощь» - «Условия доставки».
Клапан плавного пуска 900.14.7
